KÖVESS MINKET:

Termékek
SLE-HB relé
  • SLE-HB reléSLE-HB relé

SLE-HB relé

Model:SLE-HB Relay
A Ningbo Songle Relays Co., Ltd. megbízható gyártó és szállító Kínában; Ez az SLE-HB relé közvetlenül a gyárunkból származik, kiküszöbölve a közvetítőket és ésszerű árat kínálva. Ha egyedi megoldást szeretne, forduljon hozzánk bizalommal.

SLE-HB relay is mainly used in motorcycle flasher, which knocks on the shell through the action of attracting and releasing the relay, forming the prompt sound "DI" and "DA" when the motorcycle turns. The maximum switching current can reach 5 amps, and the voltage is reduced to 200 millivolts, which greatly reduces the heat loss during high current conduction and effectively avoids the contact aging problem caused by overheating. In addition, the relay can withstand the rigorous test of 1× 10⁵ electrical cycles and 1× 10⁷ mechanical cycles, so it can maintain stable performance even in the high-frequency start-stop environment, effectively reducing contact wear and conductive failures. What's more worth mentioning is that its temperature adaptation range is extremely wide, and it can work normally between -40℃ and +125℃, far exceeding the temperature limit of traditional relays, making the motorcycle flasher work normally in both severe cold and hot summer.



FEATURES

Open type

1 From A contact arrangement

5A switching capability







Contact Parameters Value
Contact arrangement A
Contact rating 5A 14VDC
Voltage drop ≤200mV
Electrical endurance 1×10⁵ ops
Mechanical endurance 1×10⁷ ops


Coil Parameters Value
Nominal voltage 12VDC
Power dissipation 1.6W, 1.8W
Pick-up voltage (Max) 65% of nominal voltage
Drop-out voltage (Min) 10% of nominal voltage


Other Parameters Value
Ambient temperature (°C) −40°C~+125°C
Dielectric strength (Coil & contacts, 1min) 500VAC
Dielectric strength (Open contacts, 1min) 500VAC
Insulation resistance (500VDC) 100MΩ
Wiring diagram (Bottom view)
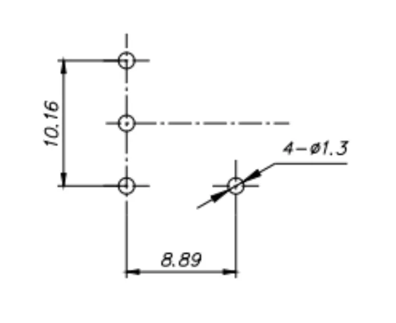
Installation hole drawing (Bottom view)
Termination P.C.B (PCB terminal)
Weight Apprax 6.8g



Hot Tags: Kína SLE-HB relé beszállító, gyártó, gyár
Kérdés küldése
Elérhetőségei
Ha a teljesítményrelékkel, a jelrelékkel, az autóipari relékkel vagy az árlistával kapcsolatban érdeklődik, küldje el kérdését a Songle-nek, Kína legjobb relégyárának!  kérjük, hagyja meg e-mail-címét, és 24 órán belül felvesszük Önnel a kapcsolatot.
X
Cookie-kat használunk, hogy jobb böngészési élményt kínáljunk, elemezzük a webhely forgalmát és személyre szabjuk a tartalmat. Az oldal használatával Ön elfogadja a cookie-k használatát. Adatvédelmi szabályzat
Elutasít Elfogadás